欢迎您进入合肥国瑞集成建筑科技有限公司官网!
-
-
-
-
-
-
技术研发近年来,公司不断加大研发投入,研发费用比例高达12.5%。花数百万元配备了先进齐全的科研设备,设立了企业研发中心。公司积极引进人才和先进技术,从强化人才培养、强化科技创新、强化产品研发、强化产品质量入手,全面提升企业竞争力。公司科研团队先后引进了钢结构装配式建筑领域知名专家丁成章教授等高端人才,全力打造一流科研创新团队
-
建筑体系冷弯型钢结构体系是一种密肋型板墙体系,源于轻木结构。该体系以“肋”(间距一般为400~600 mm的冷弯型钢墙柱、楼盖梁和屋盖梁)承受重力荷载并要求上下对齐直接传递重力荷载,以“板”(各类剪力墙板)抵抗由地震荷载和风荷载产生的侧向作用力
-
新闻资讯
联系方式
绿色高效节能环保的村级党群服务中心建造过程赏析
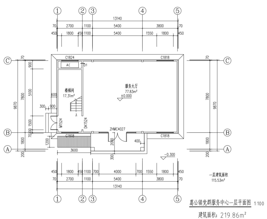
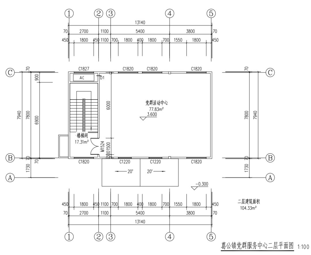
东至县葛公镇留铺村党群服务中心项目,建筑面积220平方米,为二层装配式钢结构建筑。采用国瑞冷弯薄壁型钢轻聚合物复合墙体建筑技术建造,建设工期30天。
设计效果图


平面布局


二层平面
室内设计效果图


部分施工过程:
主体施工

基础施工 ▲

一层墙板吊装▲

楼面压型钢板和钢丝网安装▲

楼面混凝土的浇筑▲

二层吊装▲

屋架安装▲

屋面板安装▲

屋面防水保温▲

屋面瓦铺设▲
室内外装修

外墙贴砖▲

外出粉刷▲

室内吊顶安装▲

室内墙板安装▲

地砖铺设▲

楼梯地砖铺设▲
竣工实景







手机网站
微信公众号